匝間絕緣測試儀的工作原理是什么?
發布時間:2019-09-18
瀏覽數:2891
繼了解了匝間絕緣測試儀的簡要介紹之后,大家是不是對匝間絕緣測試儀的工作原理打開了求知欲呢?下面國電中星通過匝間絕緣測試原理簡圖為大家詳細介紹其工作原理。

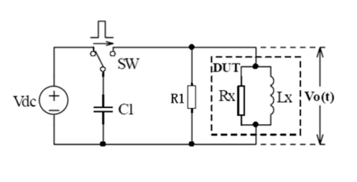
匝間絕緣測試儀需要在不損壞被測件的條件下測試其電氣性能,首要條件是能在短暫的瞬問判別線圈的品質。測量時將與標準線圈測量時同樣的脈沖通過電容器放電施加于被測線圈,由于線圈電感量和Q值的存在,構成一個RLC并聯諧振回路,將產生一個對應于該放電脈沖的電壓衰減波形,比較該衰減波形的某些特征,可以檢測線圈匝問和層間短路及圈數和磁性材料的差異,通過施加一個高電壓脈沖,根據出現的電暈或層間放電來判斷絕緣不良。如圖1所示:

圖1線圈脈沖測試原理簡圖
圖2典型的線圈自激衰減振蕩波形
圖2中的自激振蕩衰減波形直接和線圈的電感值L及品質因素Q值有著密切的關系,而L值及Q值又和線圈的圈數、制造工藝、是否空心線圈并且還與鐵心材料特性又有著不可分割的牽連,施加電壓又是高壓脈沖電壓,因此,當線圈有短路、匝問局部短路或由于絕緣損傷引起的層問或匝問放電現象自然很容易被發現。
國電中星專業生產包括匝間絕緣測試儀在內的各種高壓試驗設備,產品種類多,型號全,在廣大用戶中獲得良好口碑,歡迎來電咨詢!
上一篇:匝間絕緣測試儀的簡要介紹
下一篇:匝間絕緣測試方法有幾種?
027-65526006
027-65526007
在線客服