?電壓互感器的交流耐壓試驗方法淺析
三倍頻發生器做35kV電壓互感器感應耐壓試驗,對變壓器、互感器等感應線圈式的電氣產品作匝間、段間、層間的備品、倍壓試驗,以考核線圈的絕緣強度、耐壓水平。本文淺要分析電壓互感器的交流耐壓試驗方法。

電磁式電壓互感器按運行承受的電壓不同,可分為半絕緣和全絕緣電壓互感器,半絕緣電壓互感器在正常運行中承受相電壓,全絕緣電壓互感器在正常運行中可以承受線電壓。
全絕緣電壓互感器是指一次繞組及二次繞組與地間的主絕緣都是按承受100%工頻試驗電壓設計的單相電壓互感器,一次高壓端為兩個端子,故稱為全絕緣型。全絕緣電壓互感器可以從一次端施加工頻電壓進行交流耐壓試驗。
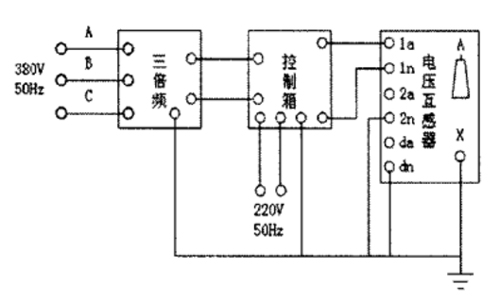
半絕緣型電壓互感器是指其一次繞組的一段準備直接接地的單相電壓互感器,一次繞組接地端(N端)設計時,靠近二次繞組,其一次繞組與二次繞組及地間的主絕緣承受的電壓很低,GB1207-2006標準中要求其短時工頻耐受電壓僅有3kV(設備高電壓Um≥40.5kV時,其短時工頻耐受電壓為5kV)一次高壓端為獨立端子,故稱為半絕緣型。半絕緣電壓互感器就不能從一次端施加工頻電壓進行交流耐壓試驗,只能在二次側做感應耐壓試驗,多采用三倍頻進行感應耐壓試驗,電壓互感器感應耐壓試驗見下圖。

三倍頻發生器是利用磁路的飽和特性,取出諧波分量較大的三次諧波電壓,作為發生器的電源,對變壓器、互感器等感應線圈式的電氣產品作匝間、段間、層間的備品、倍壓試驗,以考核線圈的絕緣強度、耐壓水平。
國電中星是三倍頻耐壓試驗裝置生產廠家,擁有專業的研發團隊,具備大規模生產力,獲得眾多客戶的一致好評,歡迎選購!
上一篇: 三倍頻感應耐壓發生器應該如何選擇?
027-65526006
027-65526007
在線客服